Nie posiadam takiego systemu, ale chcę mieć możliwość przewożenia go z przodu mimo poduszki. Pozostaje tylko ją sprzętowo wyłączyć. Wyłączeniu podlega tylko i wyłącznie poduszka frontowa (nad schowkiem) - poduszka boczna w fotelu, kurtyna, napinacz pasa powinny zadziałać normalnie. Przy takim założeniu, fotelik należy mocować tak, aby jego boczny obrys nie wystawał poza krawędź oparcia fotela i nie interferował z boczną poduszką powietrzną.
I teraz muszę napisać JEŻELI ZAMIERZASZ CZYTAĆ DALEJ TO:
1. Musisz zdawać sobię sprawę że chodzi o modyfikację systemów ochrony/ratowania życia w samochodzie
2. Wszelkie modyfikacje inspirowane poniższym opisem wykonuje się na własne ryzyko
3. Nie ponoszę odpowiedzialności za fakt zadziałania/niezadziałania/zadziałania ze szkodą żadnej z poduszek powietrznych kiedy na foteliku z przodu podróżuje dziecko lub podróżuje bez fotelika osoba dorosła
4. Nie ponoszę odpowiedzialności za jakiekolwiek modyfikację w układzie Airbag, w szczególności te zrobione niefachowo, bez odpowiedniej wiedzy
Wymyśliłem zatem coś takiego:
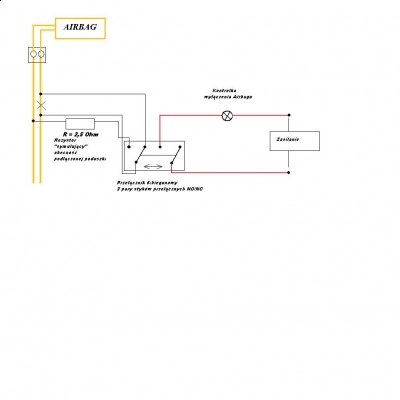
1. Fizyczne przerywanie obwodu do zapłonnika poduszki za pomocą wyłącznika.
2. W momencie odłączenia poduszki w jej miejsce należy włączyć rezystor, który oszuka sterownik poduszek przy braku jednej.
3. W momecie odłączenia poduszki zapali się kontrolka informująca o fakcie jej odłączenia.
Aby zminimalizować podejrzliwość policjanta w trakcie kontroli, postanowiłem wykorzystać rozwiązania jak najbardziej imitujące fabryczne. Zakupiłem zatem lampkę wnętrza z Omegi z kontrolką wyłączonego airbagu.
U mnie prace na razie zatrzymały się na etapie doprowadzenia zasilania do lampki wzdłuż prawego słupka przy szybie i zamontowania lampki. Kontrolka wyłączenia airbagu zapala się po doprowadzeniu do lampki zasilania po zapłonie (+). Po podaniu na przewód (-) z płytki z lampką zapala się kontrolka.
Zostało mi zamontować wyłącznik (jako miejsce typuję schowek żeby nie niszczyć kokpitu), rozciąć obwód airbagu oraz wlutować opornik.
Tutaj WAŻNE ZAŁOŻENIE - zmiana pozycji wyłącznika może odbywać się tylko i wyłącznie przy wyłączonym zapłonie (nieaktywny sterownik airbag), co pozwoli uruchonić go przed stanami nieustalonymi w trakcie przełączania.
Jak skończę całą modyfikację, to ją tutaj opiszę od A do Z. Na razie prace wstrzymał brak zdrowia...
