Ad blocker detected: Our website is made possible by displaying online advertisements to our visitors. Please consider supporting us by disabling your ad blocker on our website.
Usterka z natury uciążliwych. Już drugi raz rozładował mi się aku przez noc. Ładowanie oczywiście ok, aku też w dobrej kondycji.
Na razie podejrzana jest NAVI900. Mam wrażenie, że nie zawsze się całkowicie wyłącza. Raz miałem taką sytuację, że autko ledwo zapaliło, ale zapaliło, natomiast navi po włączeniu miało zwiechę na mapie i nie widziało żadnych dróg. Jakieś pomysły
Moje pomiar póki co nie przyniosły wymiernych efektów. Nie uchwyciłem czasu kiedy "coś" pożera prąd. Zaczynam się jednak zastanawiać czy mój akumulator faktycznie zaczyna nie nadążać za konsumpcją Zafirki a z tych 75 Ah zostało już może 20-30 ?
Regularnością jest, że każdorazowe otwarcie drzwi powoduje uruchomienie się stanu przygotowania do jazdy co skutkuje srednim poborem 5.7 A przy około 1 min, po czym przechodzi w stan czuwania 1,3 A przez kolejne 10 min i dopiero po tym czasie pojawia się na amperomierzu O,O1 A. Także pół godzinne czy godzinne np. pakowanie bagaży i ciągle otwieranie drzwi nie wysysa resztek sił z Aku ?
Ostatnio zmieniony 23 sie 2018, 17:31 przez PolTor, łącznie zmieniany 3 razy.
podjedź do fachowca od akumulatorów, aby sprawdził "wydajność", sprawność itp
po otworzeniu drzwi, lampki świecą przez kilkanaście minut. Potem automat je wyłącza. Za dużo prądu nie pobierają, aby rozładować mocno aku.
Nie jestem gruby i nie mam nadwagi. Wyniki są poprawne ! Ale kurde wyszło mi, że mam znaczny niedobór wzrostu
i już wiem, że nie jestem stary - jestem po prostu RETRO ....
Czy masz alarm? W swoim starym samochodzie miałem alarm i w syrenie był zintegrowany akumulator, który był padnięty i nigdy nie naładował się do końca i ciągle był ładowany a prąd był 1 lub 2 ampery - nie pamiętam. Po wywaleniu syreny od alarmu był spokój.
Ostatecznie po zabawie z rozładowywaniem i ładowaniem przy pomocy ładowarki modelarskiej imax b6 akumulator nadaje się do wymiany. Nie ma już praktycznie pojemności. Akumulator w pełni naładowany prostownikiem(całą noc) imax, który obciążał prądem 0,7-0,8A rozładowałam aku przez 7 godzin. Po ponownym naładowaniu Imax'em udało się wpompować niecałe 11000 mA (nie wiem na ile to dobrze odczytałem ). Oryginalny GM aku w mnie to Varta. Teraz pewnie będzie Banner. Czyli ostatecznie akumulator pożarł się po prostu sam ( w sumie 5 lat to uważam, że nie jest to chlubny wynik)
Ostatnio zmieniony 25 sie 2018, 16:23 przez PolTor, łącznie zmieniany 1 raz.
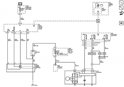
Niekoniecznie winnym musi być akumulator. Może to być słabo albo w ogóle nie ładujący alternator. Poza sprawdzeniem napięcia ładowania(powinno wynosić na biegu jałowym 14.6V) co każdy czyni multimetrem i co nie nastręcza problemu to powinno się też zmierzyć prąd ładowania co przy braku posiadania amperomierza cęgowego z zakresem 0-600A na prąd stały, jest niewykonalne bo prąd ładowania na biegu jałowym przy wyłączonych wszystkich odbiornikach(dmuchawa,radio,światła)powinien wynosić koło 47A a multimetry mają zakres pracy tylko do 10A czyli spalimy multimetr. Jeszcze dochodzi kwestia prądu rozruchowego, podczas kręcenia rozrusznikiem, który jest na poziomie 150-300A. Pomiar prądu daje nam cenne informacje takie jak czy alternator prawidłowo ładuje, w jakim stanie jest akumulator a konkretnie jego wewnętrzna rezystancja-im mniejsza tym lepsza=większy prąd. Kiedy akumulator się z czasem zasiarcza to wzrasta jego rezystancja wewnętrzna i działa jak opornik blokując przepływ prądu. Kolejnym winowajcą mogą być słabe połączenia. Słaby kontakt=duża rezystancja=mały prąd=słabe ładowanie. Dobrze jest posmarować wszystkie połączenia akumulatora i masy pastą miedziową która jest przewodnikiem prądu. Odradzam wazelinę techniczną-jest izolatorem(działa jak opornik). Ostatnim winnym może być sam akumulator a konkretnie jego zbyt mała lub zbyt duża pojemność. Przy zbyt małej będzie się szybko ładował ale i też szybko rozładowywał. Przy większej pojemności, plusem jest to, że długo będzie dostarczał prądu ale i dłużej ładował się co przy krótkich czasowo i małych dystansach grozi tym że długo będzie niedoładowany co spowoduje jego uszkodzenie przez zasiarczenie płyt. Pojemność musi być fabryczna. Dobrą rzeczą w wydłużeniu żywotności i oszczędzaniu energii akumulatora jest wymiana żarówek na led, zwłaszcza tych które pobierają dużo
prądu(DLR,mijania/drogowe,przeciwmgielne,stop,kierunkowskazy).
Pomiar napięcia(wszystkie odbiorniki wyłączone za wyjątkiem świateł do jazdy dziennej)
Pomiar prądu(wszystkie odbiorniki wyłączone za wyjątkiem świateł do jazdy dziennej)
Ostatnio zmieniony 27 sie 2018, 14:33 przez radek12, łącznie zmieniany 13 razy.
radek12 pisze: 27 sie 2018, 03:05
Poza sprawdzeniem napięcia ładowania(powinno wynosić na biegu jałowym 14.6V
jakby tu powiedzieć, teoretyczne masz racje a praktycznie jesteś w bladzie proponuje zaznajomić się z układem ładowania w aucie. Niestety układ ładowanie jest sterowany elektronicznie i może wynosić w danym momencie zarówno 12,5 jak i 15 V niestety nie ma na to wpływu użytkownik. Dobrze opisane jest w tym temacie https://astraklub.pl/viewtopic.php?t=833849 teorie z czasów regulatora napięcia z poloneza 14,6 już się nie sprawdzają najlepiej to idzą ci co mają odblokowany komputer i zakładkę ładowanie
Ostatnio zmieniony 27 sie 2018, 19:51 przez qtom, łącznie zmieniany 2 razy.
Fiu fiu, nie sądziłem, że tak mocno elektronika nad akumulatorem pracuje, szkoda, że w tamtym opisie nie ma już schematu układu ładowania - niedostępne, ale opis fantastyczny.
Ostatnio zmieniony 27 sie 2018, 20:46 przez BQB, łącznie zmieniany 1 raz.
radek12 pisze: 27 sie 2018, 03:05
Poza sprawdzeniem napięcia ładowania(powinno wynosić na biegu jałowym 14.6V
jakby tu powiedzieć, teoretyczne masz racje a praktycznie jesteś w bladzie proponuje zaznajomić się z układem ładowania w aucie. Niestety układ ładowanie jest sterowany elektronicznie i może wynosić w danym momencie zarówno 12,5 jak i 15 V niestety nie ma na to wpływu użytkownik. Dobrze opisane jest w tym temacie https://astraklub.pl/viewtopic.php?t=833849 teorie z czasów regulatora napięcia z poloneza 14,6 już się nie sprawdzają najlepiej to idzą ci co mają odblokowany komputer i zakładkę ładowanie
Dokładnie.
Zmiany napięcia ładowania można łatwo obserwować na kompie po rozszerzeniu funkcji.
Z reguły jak aku jest sprawne to po odpleniu auta zawsze układ ładowania podaje 14,7 V i później w zależności od jego stanu przy dłużej jeździe jak już niby aku jest naładowane schodzi o 12,5V. W moim przypadku ładowanie napięcie ładowania nie schodzi poniżej 13,8 V
Ostatnio zmieniony 28 sie 2018, 10:00 przez PolTor, łącznie zmieniany 2 razy.
Jedno jest pewne:jeśli napięcie akumulatora w stanie "spoczynku"(kilka godzin po wyłączeniu silnika) spada poniżej 12.5V to akumulator jest do wymiany. Napięcie sprawnego akumulatora w stanie "spoczynku"(mierzone kilka godzin po wyłączeniu silnika bo przy włączonym widzimy napięcie alternatora) powinno być 13.8-14.4V
W praktyce, te kosmiczne systemy opisane w przypadku Astry J, nie bardzo się sprawdzają. Jeden z forumowiczów napisał, że pomimo wyeksploatowanego i całkowicie rozładowanego akumulatora system elektryczny auta pokazywał zupełnie na odwrót-że jest sprawny. Ja systemom nie wierzę dlatego podłączam voltomierz-jest napięcie ładowania?-jest;podłączam amperomierz-jest prąd ładowania?-jest,uszkodzenie alternatora wyeliminowane,zostaje akumulator. Voltomierz i amperomierz nigdy mnie nie oszukają-one zawsze prawdę powiedzą.
A tak wracając do tematu to pytanie było dlaczego może być rozładowany akumulator a nie zasada działania sytemów elektronicznych, które mało kto rozumie.
Ostatnio zmieniony 28 sie 2018, 22:30 przez radek12, łącznie zmieniany 5 razy.
PolTor pisze: 25 sie 2018, 16:21
Ostatecznie po zabawie z rozładowywaniem i ładowaniem przy pomocy ładowarki modelarskiej imax b6
Wątpię czy ładowareczka modelarska do domowych bateryjek poradzi sobie z pojemnością aku 75Ah. Teoretycznie tak ale musiałbyś mieć zasilacz o prądzie co najmniej 7.5A Akumulator przy pojemności 75Ah aby całkowicie naładować trzeba ładować prądem 7.5A przez 10 godzin. Można to zrobić mniejszym prądem ale na pewno noc do tego nie wystarczy.
Poza tym aby naładować akumulator potrzebne jest napięcie wyższe niż akumulatora czyli około 14.4V. Obawiam się, że ładowareczka przedstawiona przez Ciebie zamiast go naładować to rozładowała.
Ostatnio zmieniony 30 sie 2018, 10:38 przez radek12, łącznie zmieniany 4 razy.
Jak akumulator mój ma zamiast 75 Ah ma 15Ah to do radę naładować przez noc . IMAX dobrze radzi sobie z akumulatorami Pb. Polecam spróbować z dobrym zasilaczem. Tez na początku sceptycznie do tego podchodziłem i ładowałem tradycyjnym. Jednak tradycyjny nie ma funkcji rozładowywania małym prądem i później ładowania tyle ile Aku pozwala. Do tego z IMAX masz ładne wykresy na kompie.